Sağladığı Avantajlar
- Yüksek Verimlilik: Hızlı işlem süresi ve kolay ayar seçenekleri ile üretim hızını artırır.
- Maliyet Etkinliği: Malzeme israfını ve işçilik maliyetlerini azaltarak tasarruf sağlar.
- Esneklik: Farklı jant boyutları ve tasarımlarına uyumlu, çok yönlü kullanım.
- Kalite Artışı: Hassas ve sağlam kaynak bağlantıları oluşturarak ürün kalitesini yükseltir.
- Dayanıklılık: Sağlam yapısı ile uzun ömürlü kullanım ve düşük bakım gereksinimi.
- Kullanıcı Dostu: Basit ve anlaşılır kontrol paneli ile operatör eğitim süresini kısaltır.
- Güvenlik: Yüksek güvenlik standartları ile operatörlerin güvenliğini maksimum seviyede tutar.
Ürün Açıklaması
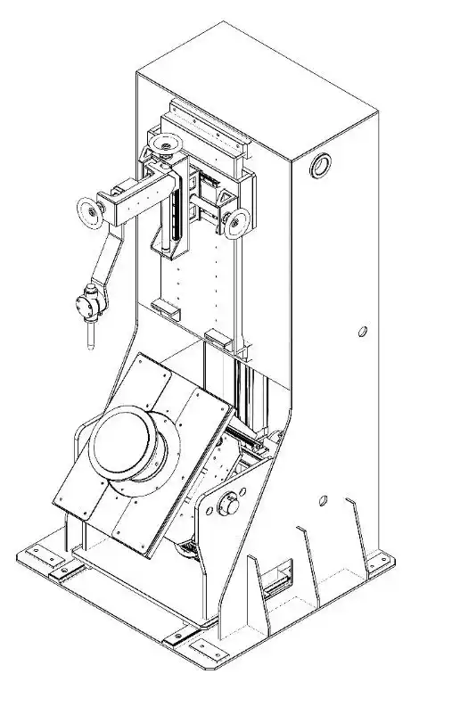
Kaynak Aparat Üniteleri, çelik jant üretim sürecinde, jantın dış çemberi ile diskinin kaynaklı imalat ile birleştirilmesi amacıyla kullanılan makinelerdir. Bu üniteler, jant bileşenlerinin doğru ve güvenli bir şekilde birleştirilmesini sağlayarak, yüksek dayanıklılık ve kalite standartlarını karşılar. Otomatik ve yarı otomatik seçenekleri ile üretim hattının verimliliğini artırır.
Öne Çıkan Özellikleri
Operatör güvenliğini sağlayan gelişmiş güvenlik özellikleri.
Yüksek hassasiyetli kaynak işlemi.
Sağlam ve dayanıklı yapı ile uzun ömürlü kullanım.
Yüksek üretim hızları ve minimum duruş süreleri.
Kolay bakım ve düşük işletim maliyetleri.


